Email: 3dcad@solidinvent3d.com

Phone: 647-243-2295

Monday to Friday 9am to 5pm

2D Detailing & Drafting services

2D Detailing services, Drafting services
2D Detailing & Drafting
2D Detailing services, Drafting services
2D Detailing & Drafting
2D Detailing services, Drafting services
2D Detailing & Drafting
2D Detailing services, Drafting services
2D Detailing & Drafting
2D Detailing services, Drafting services

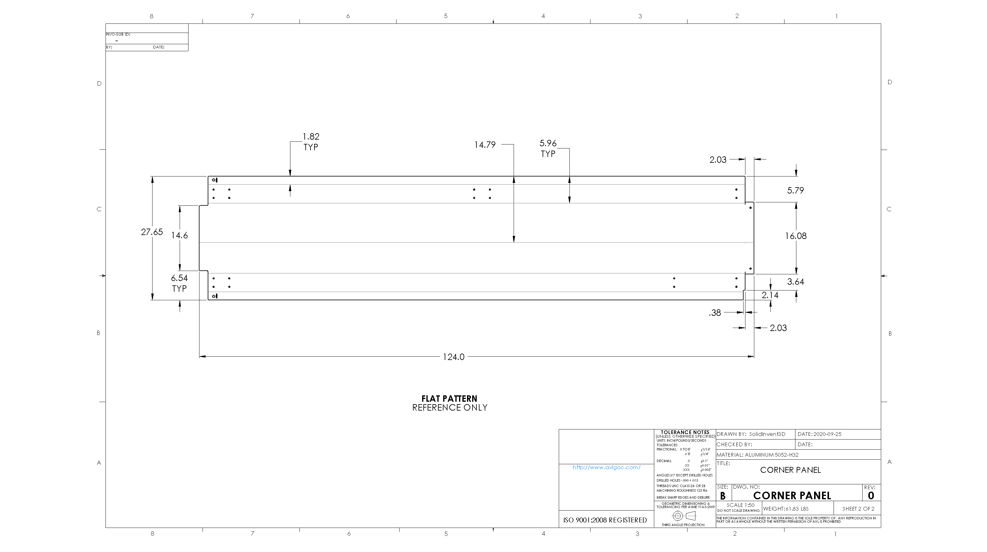
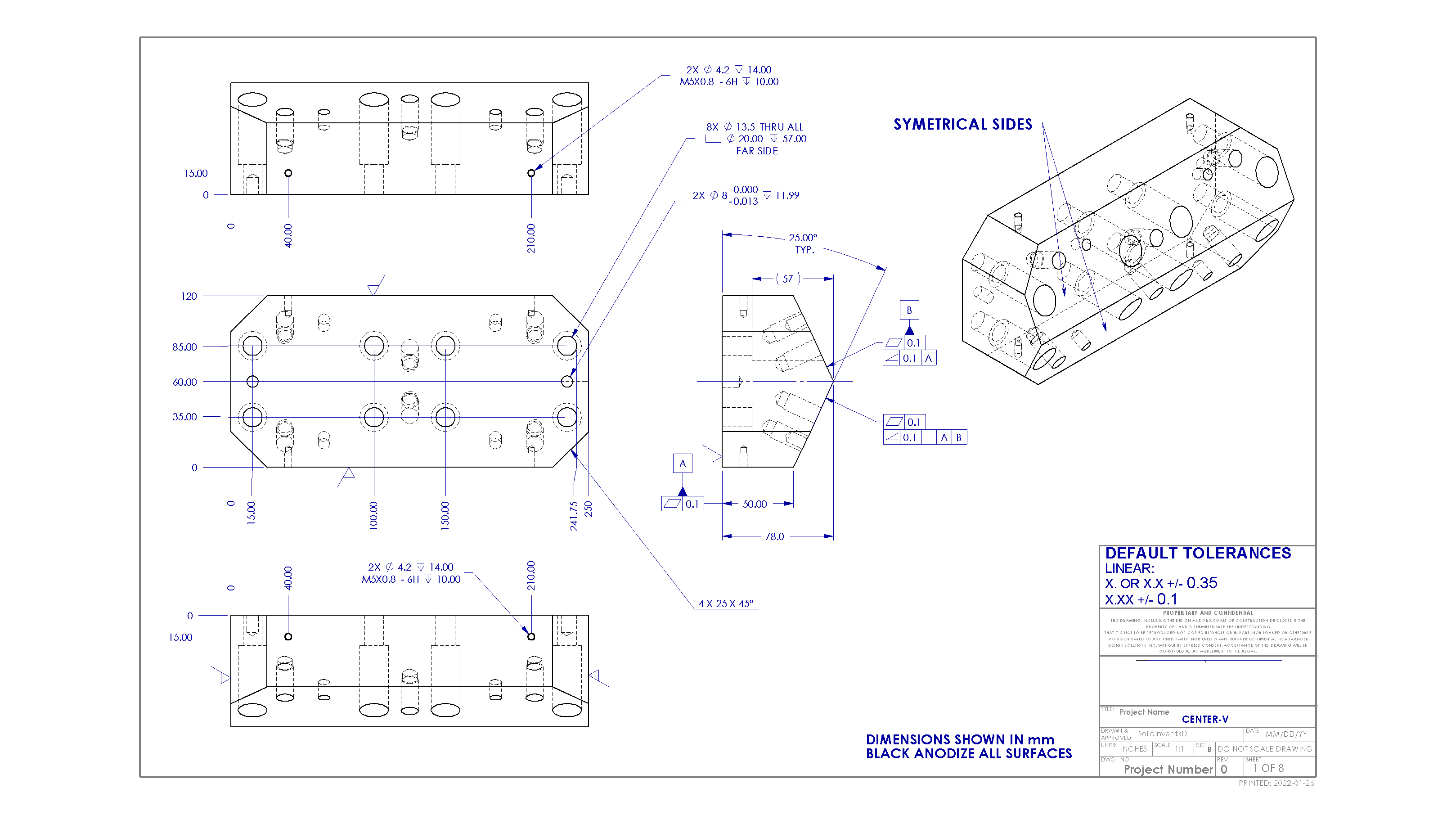
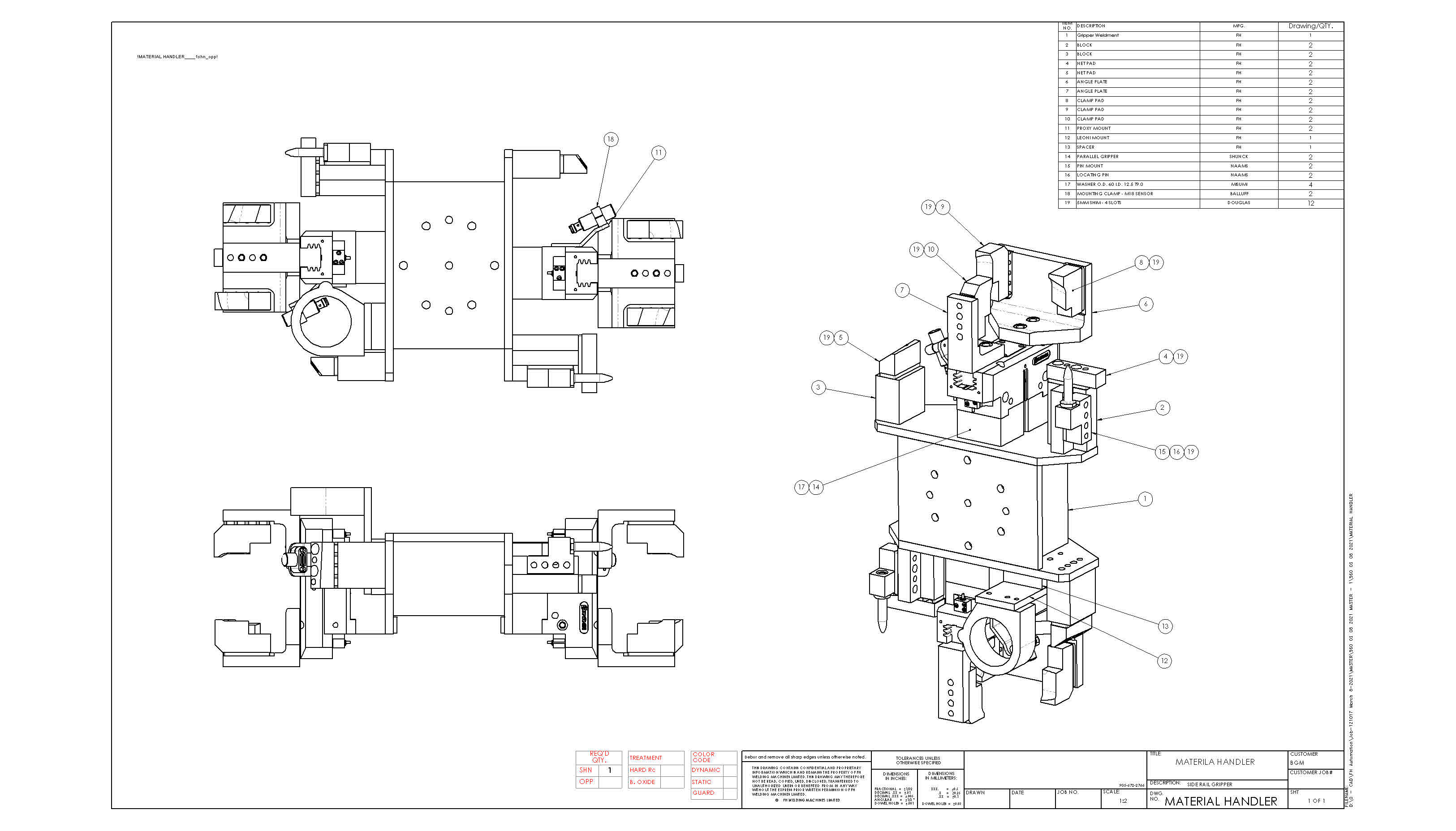
We offer professional 2d detailing and drafting services. We create 2D detail drawings from the 3D Models, ready for the manufacturing process. We produce complete 2d detailed drawing packages, ready for manufacturing, containing Asembly drawings, with cross section and exploded views,BOM, cut lists and GD&T, Tolerance Analysis, etc.

We also can convert your paper drawings, or provide drafting services in a variety of CAD file formats, like Autocad, Autodesk Inventor, Solidworks, etc.

For more details and a free quote Contact Us